AIDA
GELINA
BRIKEN
nToF
CRIB
ISOLDE
CIRCE
nTOFCapture
DESPEC
DTAS
EDI_PSA
179Ta
CARME
StellarModelling
DCF
K40
MONNET
AIDA
Draft saved at 00:00:00
Fields marked with
*
are required
Entry time:
Wed Aug 9 14:40:28 2023
Author
*
:
Subject
*
:
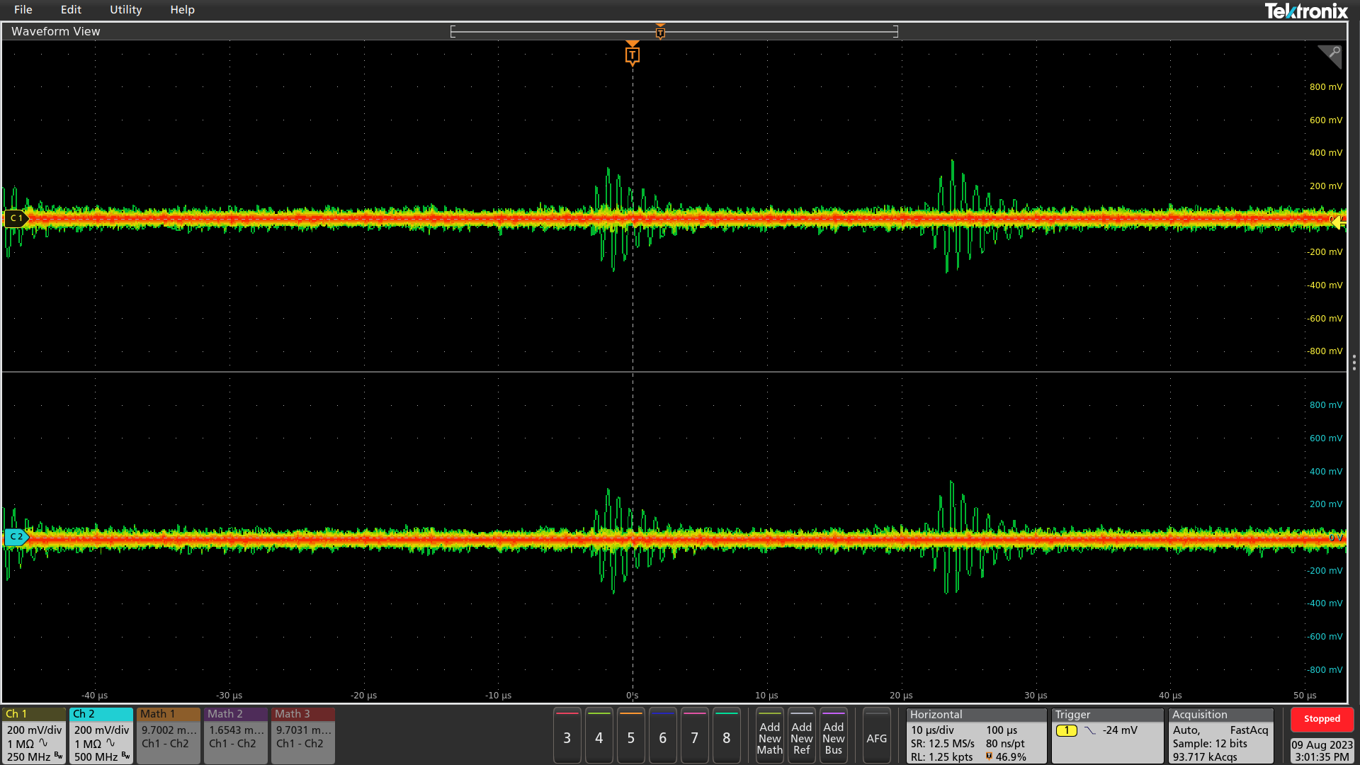
<p>Tests with the HV supply (CAEN N1419ET) and Pulse Generator ( BNC PB-5 ) in the detector lab on the crate behind the DEGAS detectors, carried out the 9th August 2023</p> <p>Both modules were plugged</p> <p>Test 1: pulse generetor on 2 Hz</p> <p>- DC, 50 ohm - HV OFF - attachment 1</p> <p>- DC, 50 ohm - HV OFF, Zoom on the noise - attachment 2</p> <p>- DC, 50 ohm - HV 50 V, Zoom on the noise - attachment 3</p> <p> </p> <p>Test 2: HV supply Channel 1 - CORE and 2 - BRAID, pulse generator still on</p> <p>- AC 1 Mohm - HV OFF - attachment 4</p> <p>- AC 1 Mohm - HV 50 V - attachment 5</p> <p>No differences were observed between crate OFF, HV OFF and HV 50 V. An important periodic noise (green on the pictures) was observed and was significantly smaller when unpluging the HV module from the crate. The thickness of the baseline noise seems to be comparable to entry 882, attachment 33-35.</p> <p> </p>
Encoding
:
HTML
ELCode
plain
Suppress Email notification
Resubmit as new entry
Attachment 1:
AIDA_PulserTest_0908_FullPulse.png
Original size: 1920x1080
Attachment 2:
AIDA_PulserTest_09.08_5mV_10us_HVOFF.png
Original size: 1920x1080
Attachment 3:
AIDA_PulserTest_0908_10mV_10us_50HV.png
Original size: 1920x1080
Attachment 4:
HV_0V_090823_1500_wPulser.png
Original size: 1920x1080
Attachment 5:
HV_-50V_090823_1500_wPulser.png
Original size: 1920x1080
Attachment 6:
Drop attachments here...
Draft saved at 00:00:00
ELOG V3.1.3-7933898